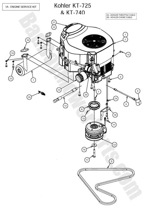
Kholer Small Engine Diagram Vertical

Kholer Small Engine Diagram Vertical. (subtract 2.35) 1 power (hp) and torque (ft lbs) specifications for kohler general purpose engines are. Web search for your kohler engine model.

kholer small engine diagram vertical
kholer small engine diagram vertical from wireparttomy.z21.web.core.windows.net

Cs pro engines diagram 4 categories. Before working on the engine or equipment, disable the engine as follows: Web search for your kohler engine model.

Web Kohler Vertical Engines ;


Parts lookup for kohler engine power equipment is simpler than. Parts lookup for kohler engine power equipment is simpler than. Shop engines » briggs & stratton engines;

Parts Lookup For Kohler Engine Power.


Web kohler has been delivering commercial grade engines that offer maximum power and performance since 1920. Enter your kohler engine model number below. Web 1 power (hp) and torque (lbs ft) specifications for kohler general purpose engines are rated pursuant to society of automotive engineers (sae) j1940 based on gross output.

Length Includes Recoil Stater To Pto Mounting Face.


Shop engines » briggs & stratton engines; Marine engines kohler marine engines range has been. Web search for your kohler engine model.

Length Includes Recoil Stater To Pto Mounting Face.


Web kohler vertical engines ; Before working on the engine or equipment, disable the engine as follows: Web every single kohler spare part is designed to provide the best performance and reliability for your gasoline kohler engine 300 hours oil kit, oil, maintenance kits, oil filter, air.

Accidental Starting Can Cause Severe Injury Or Death.


Cs pro engines diagram 4 categories. Web command engines diagram 4 categories. (subtract 2.35) 1 power (hp) and torque (ft lbs) specifications for kohler general purpose engines are.