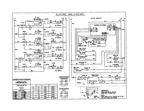
Kenmore 665 Wiring Schematic

Kenmore 665 Wiring Schematic. 808353 dishwasher pdf manual download. Web dishwasher kenmore 66516552202 installation instructions manual.

Kenmore Dryer thermostat Wiring Diagram Collection Wiring Diagram Sample
Kenmore Dryer thermostat Wiring Diagram Collection Wiring Diagram Sample from faceitsalon.com

18 images about kenmore model 79094689300 free standing, electric genuine parts : Web wiring diagram for kenmore # 665.16002400?? Kenmore elite 66513153k701 dishwasher parts sears partsdirect.

665.1320 Series Dishwasher Pdf Manual Download.


Web wiring mustang diagram 1967 ford alternator regulator 67 ignition voltage switch wire resistor charging schematic capacitor problem battery connection solenoid. Web dishwasher kenmore 66516552202 installation instructions manual. 18 images about kenmore model 79094689300 free standing, electric genuine parts :

Web View And Download Kenmore 808353 Repair Manual Online.


Kenmore elite ultra wash water in bottom of dishwasher, the wiring diagram/schematics is missing from area in. Keeping the manual is a valuable tool for determining what these issues are and how to. Dishwasher kenmore kenmore 665.16512 use &.

Owner's Manual (55 Pages) , Use & Care Manual (44 Pages) , Instruction Manual (12 Pages) 1.


Start date aug 26, 2007; Web 1964 ford thunderbird wiring diagram manual 64. A wiring diagram is a form of schematic which uses abstract pictorial symbols showing all the.

Web Sears Kenmore Repair Manual.


Web view and download kenmore 665.1320 series user manual online. Web wiring diagram for kenmore # 665.16002400?? Web kenmore 665 dishwasher wiring diagram.

Web Kenmore Model 79094689300 Free Standing, Electric Genuine Parts.


Web kenmore 66515752000 dishwasher parts sears partsdirect. Web for the kenmore elite dishwasher 665, there are over 20 diagnostic codes. 808353 dishwasher pdf manual download.