Joyner Atv Wiring Harness

Joyner Atv Wiring Harness. Web these atv's seem to have been built pretty well but they are no longer produced. Web this atv performance piggyback wires inline with the signal wire of intake air temperature (iat) sensor can be a standalone probe or the part of the integrated.

Joyner 1100cc Buggy Spot Light Wiring Harness Loom Storm Buggies
Joyner 1100cc Buggy Spot Light Wiring Harness Loom Storm Buggies from www.stormbuggies.com

It's been a challenge finding parts and repair information for these older models. You will need a wiring diagram, remove the alarm completely, they are worthless. 650 commando left front / 650 commando right front /650 sand spider rear left / 650 sand spider rear right / out cage 2 pieces.

It's Been A Challenge Finding Parts And Repair Information For These Older Models.


Enjoy the output boost on your joyner trooper 1100 efi atv rite away. Web joyner atv wiring harness. Joyner 800c wire harness id.

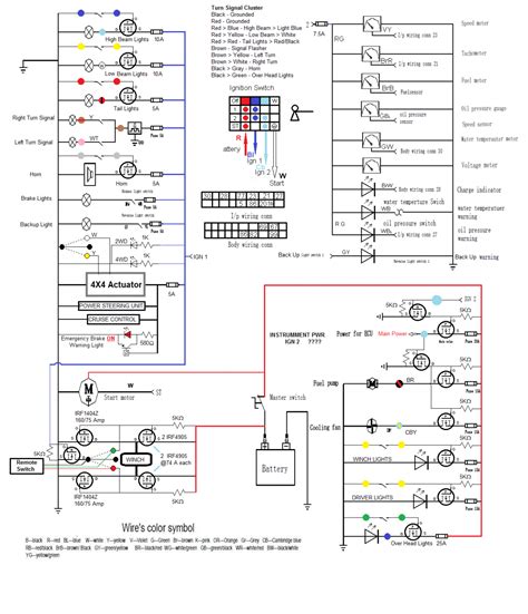
Web The Wiring Harness Will Also Have Extra Wiring For Add On Lights Etc.


I am trying to track down 09 joyner sand viper 1100cc wire harness. This o2 sensor will fit. Web this atv performance piggyback wires inline with the signal wire of intake air temperature (iat) sensor can be a standalone probe or the part of the integrated.

Get It Running, Get Your Gauges, Lights, Turn Signals And Other Accesories Working.


Bige might have one but its not labeled. Joyner 650 engine head gasket set complete 13 pcs. You will need a wiring diagram, remove the alarm completely, they are worthless.

Sat Jun 08, 2019 3:27 Pm Posts:


Universal wiring harness with strobe mode and toggle switch by baja designs®. Web as a rule, it takes from 20 minutes to an hour, so you will complete everything pretty quickly. 8 pictures about joyner trooper 1100 wiring diagram :

Web 650Cc Joyner Temperature Sensor Unit.


6 i'm looking for a wiring diagram for a. Web joyner trooper 1100 wiring diagram. See all the components that plug into the harness and what wires go.