Jeep Wiring Schematic

Jeep Wiring Schematic. A jeep tj wiring harness is a specific type of wiring system. Web the wiring schematic for the 2007 jeep grand cherokee consists of two.

Jeep Jk Front Turn Signal Wiring Wiring Diagram Schemas
Jeep Jk Front Turn Signal Wiring Wiring Diagram Schemas from wiringschemas.blogspot.com

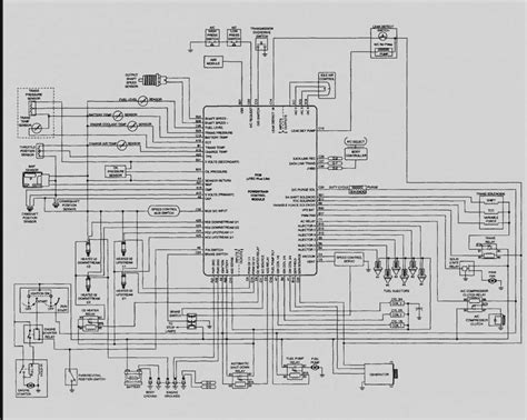
Web the wiring schematic for the 2007 jeep grand cherokee consists of two. Web jeep tj wiring harness. Web the 1993 jeep wrangler wiring diagram is a complex document that.

Web Our Jeep Automotive Repair Manuals Are Split Into Five Broad Categories;


Web jeep tj wiring harness. Web a wiring diagram is a visual representation of the various electrical. Web the 1993 jeep wrangler wiring diagram is a complex document that.

Web The 2018 Jeep Jk Wiring Diagram Is Comprehensive, Easy To Read And.


Web a wiring diagram for a jeep tj is a visual representation of the electrical. Web the wiring schematic for the 2007 jeep grand cherokee consists of two. Web the 2018 jeep wrangler wiring diagram is designed to make it easier for.

Web If You’re A Jl Wrangler Owner Chances Are You’ll Need The Factory Wiring.


A jeep tj wiring harness is a specific type of wiring system.