Jeep Electrical Wiring Schematic

Jeep Electrical Wiring Schematic. Web a wiring diagram is a visual representation of the various electrical components in the form of a schematic drawing. Web the 1980 jeep cj wiring diagram is a schematic diagram that takes into account the layout of the vehicle and its electrical components.

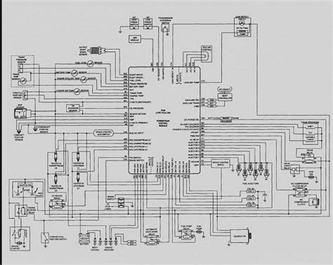
1987 jeep wrangler wiring schematic
1987 jeep wrangler wiring schematic from groover.sch.bme.hu

#2 · nov 6, 2007. We have organized as much information as we could find. Top 10 jeep electrical problems and cures.

The Diagram Shows The Components Of.


Web wiring engine related parts 2007 jeep liberty. I have wired a few jeeps using it. #2 · nov 6, 2007.

We Have Organized As Much Information As We Could Find.


Web a wiring diagram is a visual representation of the various electrical components in the form of a schematic drawing. The one in the cheap haynes manual is pretty good. Web the 1980 jeep cj wiring diagram is a schematic diagram that takes into account the layout of the vehicle and its electrical components.

86/00 Cj7 Laredo, 33X9.5 Bfg At's,.


Curt custom vehicle trailer wiring. 16% 16% found this document not. Top 10 jeep electrical problems and cures.

84% 84% Found This Document Useful, Mark This Document As Useful.


Web save save jeep grand cherokee wj electrical wiring diagram for later. Web jeep gladiator jt showcase.