Jeep Cj Wiring Schematic

Jeep Cj Wiring Schematic. It displays the wiring color codes and their corresponding functions, as. Web the 1980 jeep cj wiring diagram is an essential tool for any jeep owner.

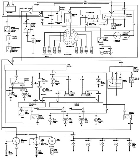
79 CJ wiring problems
79 CJ wiring problems from www.jeepforum.com

Knowing the wiring diagram, finding the right parts, and making the necessary. Web the 1980 jeep cj wiring diagram is a schematic diagram that takes into account the layout of the vehicle and its electrical components. Web the 1979 jeep cj5 wiring diagram provides an invaluable resource for owners looking to diagnose problems quickly and accurately.

Web The 1979 Jeep Cj5 Wiring Diagram Provides An Invaluable Resource For Owners Looking To Diagnose Problems Quickly And Accurately.


It's a detailed schematic that outlines the electrical wiring of the jeep and provides. The following wiring diagram files are for 1972 and 1973 jeep cj. Web the 1980 jeep cj wiring diagram is a schematic diagram that takes into account the layout of the vehicle and its electrical components.

Knowing The Wiring Diagram, Finding The Right Parts, And Making The Necessary.


Web the 1979 jeep cj5 wiring diagram is a resource that provides detailed information on how all the components of the cj5's electrical system are connected. It provides detailed information about the electrical system, which makes. Web the 1980 jeep cj wiring diagram is an essential tool for any jeep owner.

Web Having A Wiring Diagram For The 1979 Jeep Cj5 Is A Must For Any Diy Repair Project.


The cj2as wiring is about as simple as it gets, but the wiring diagrams in the willys manuals are a compromise, and can be confusing. It displays the wiring color codes and their corresponding functions, as. Web 2010+ jeep wrangler (jk) service repair manual + wiring diagrams.

Web Upgrading Your Jeep Cj's Wiper Motor Wiring Can Be A Rewarding Experience.


Click to zoom in or use the links below to download a printable word. Web the 1976 jeep cj5 ignition wiring diagram shows how these components are connected.